EN CN
JBSD5230-D24

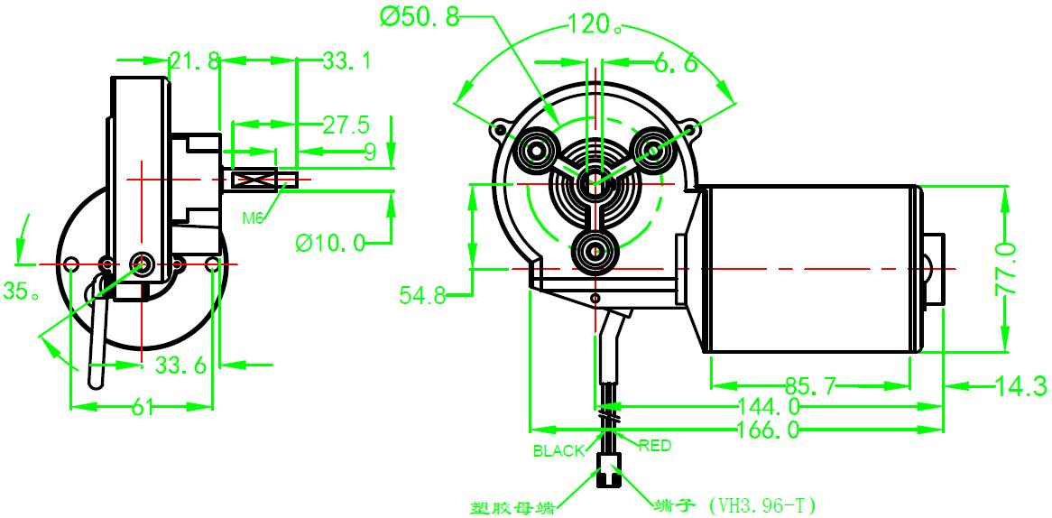
JBSD5230-D24

用途:

1.用于汽车雨刮; 2.用于电动门、卷砸门;

产品介绍:

产品详情


 备注:电机性能可以根据客户要求进行设计
Motor voltage, power and speed will be customized according to your request under the allowed circumstance of adoptable  dimension.